SKF 325VLV尺寸参数
- 主要尺寸
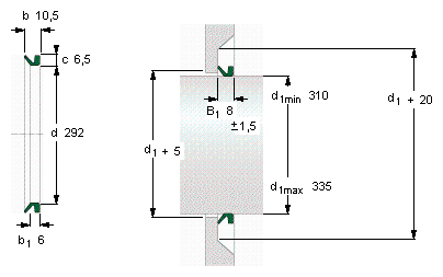
- d1从-到
- 310-335
- mm
- 从
- 292
- mm
- b1
- 6
- mm
- b
- 10.5
- mm
- c
- 6.5
- mm
- 说明
- 设计
- VR3/VL
- -
- 密封唇材料
- V
- -
- 型号
- 全球有效
- 325 VL V
- -
- 说明
- 北美市场
- 403256
- -
- **请核查供货情况
- -
SKF 325VLV相关型号
| SKF型号 | 品牌 | 内径(mm) | 外径(mm) | 厚度(mm) |
| OKBS88 | SKF | |||
| 550218 | SKF | |||
| 23232CCK/W33 | SKF | |||
| 22326CCK/W33 | SKF | |||
| 22244CC/W33 | SKF | |||
| 99163 | SKF | |||
| SY45TF/VA228 | SKF | |||
| PDNB222 | SKF | |||
| 90143 | SKF | |||
| SYE2NH-118 | SKF | |||
| 140X180X12HMS5RG | SKF | |||
| SY2.WF | SKF | |||
| 115041 | SKF | |||
| 5966 | SKF | |||
| PF25FM | SKF | |||
| SYE1.3/4-3 | SKF | |||
| 99813 | SKF | |||
| FYJ1.TF | SKF | |||
| SNL3056 | SKF | |||
| SNL3138TURT | SKF |






