SKF 32208J2/Q尺寸参数
- 主要尺寸
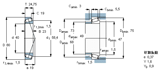
- d
- 40
- mm
- D
- 80
- mm
- T
- 24.75
- mm
- 基本额定载荷
- C
- 74800
- N
- 动载荷
- C0
- 86500
- N
- 静载荷
- 疲劳载荷极限
- Pu
- 9800
- N
- 额定转速
- 参考转速
- 6300
- r/min
- 极限转速
- 8500
- r/min
- 重量
- 重量
- 530
- g
- 型号
- * SKF 探索者轴承
- 32208 J2/Q
- -
SKF 32208J2/Q相关型号
| SKF型号 | 品牌 | 内径(mm) | 外径(mm) | 厚度(mm) |
| 32208J2/Q | SKF | 40 | 80 | 24.75 |






