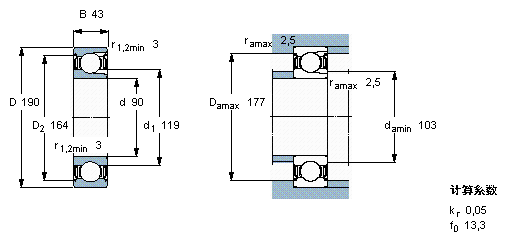
SKF 318-2Z尺寸参数
- 主要尺寸
- 318-2Z
- 90
- mm
- D
- 190
- mm
- B
- 43
- mm
- 基本额定载荷
- C
- 157000
- N
- 动载荷
- C0
- 160000
- N
- 静载荷
- 疲劳载荷极限
- Pu
- 5700
- N
- 额定转速
- 参考转速
- 6300
- r/min
- 极限转速
- 3200
- r/min
- 重量
- 重量
- 5400
- g
- 型号
- 型号
- 318-2Z
- -
SKF 318-2Z相关型号
| SKF型号 | 品牌 | 内径(mm) | 外径(mm) | 厚度(mm) |
| 318-2Z | SKF | 90 | 190 | 43 |
| 6318-2RS1 | SKF | 90 | 190 | 43 |
| 7318BECBP | SKF | 90 | 190 | 43 |
| 6318/C3VL0241 | SKF | 90 | 190 | 43 |
| NU318ECJ | SKF | 90 | 190 | 43 |
| NU318ECP | SKF | 90 | 190 | 43 |
| 7318BEGAP | SKF | 90 | 190 | 43 |
| 6318 | SKF | 90 | 190 | 43 |
| 7318BECBY | SKF | 90 | 190 | 43 |
| QJ318N2MA | SKF | 90 | 190 | 43 |
| 21318E | SKF | 90 | 190 | 43 |
| NUP318ECJ | SKF | 90 | 190 | 43 |
| 6318/W64 | SKF | 90 | 190 | 43 |
| 21318EK | SKF | 90 | 190 | 43 |
| 6318/W64 | SKF | 90 | 190 | 43 |
| N318ECP | SKF | 90 | 190 | 43 |
| NU318ECML | SKF | 90 | 190 | 43 |
| NU318ECM | SKF | 90 | 190 | 43 |
| NJ318ECJ | SKF | 90 | 190 | 43 |
| 1318 | SKF | 90 | 190 | 43 |






