SKF 30VAV尺寸参数
- 主要尺寸
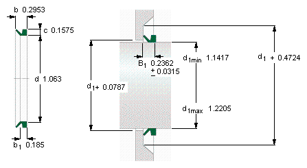
- d1从-到
- 29-31
- mm
- 从
- 27
- mm
- b1
- 4.7
- mm
- b
- 7.5
- mm
- c
- 4
- mm
- 说明
- 设计
- VR1/VA
- -
- 密封唇材料
- V
- -
- 型号
- 全球有效
- 30 VA V
- -
- 说明
- 北美市场
- 400304
- -
- **请核查供货情况
- -
SKF 30VAV相关型号
| SKF型号 | 品牌 | 内径(mm) | 外径(mm) | 厚度(mm) |
| 780X830X22HS5R | SKF | |||
| 110X150X12HMSA10V | SKF | |||
| 40X58X8HMS5RG | SKF | |||
| 18050 | SKF | |||
| PF1.7/16ARM | SKF | |||
| 40X72X10HMSA10RG | SKF | |||
| 23096CA/W33 | SKF | |||
| 19x30x8HMS5RG | SKF | |||
| 32x42x7HMSA10RG | SKF | |||
| SYJ60KF | SKF | |||
| 11138 | SKF | |||
| 35x55x8HMS5RG | SKF | |||
| 30x62x7HMSA10RG | SKF | |||
| FYR2.1/2-3 | SKF | |||
| 25x37x6HMS5V | SKF | |||
| SNL511TURU | SKF | |||
| PDNB306 | SKF | |||
| 39961 | SKF | |||
| 85008 | SKF | |||
| 53771 | SKF |






