SKF 300VAR尺寸参数
- 主要尺寸
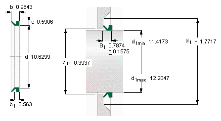
- d1从-到
- 290-310
- mm
- 从
- 270
- mm
- b1
- 14.3
- mm
- b
- 25
- mm
- c
- 15
- mm
- 说明
- 设计
- VR1/VA
- -
- 密封唇材料
- R
- -
- 型号
- 全球有效
- 300 VA R
- -
- 说明
- 北美市场
- 403000
- -
- **请核查供货情况
- -
SKF 300VAR相关型号
| SKF型号 | 品牌 | 内径(mm) | 外径(mm) | 厚度(mm) |
| 12907 | SKF | |||
| OKCX640 | SKF | |||
| YAR207-104-2F | SKF | |||
| FYT55TF/VA228 | SKF | |||
| 13738 | SKF | |||
| 18159 | SKF | |||
| SYE2. | SKF | |||
| SYR1.7/16-18 | SKF | |||
| 75X110X12HMS5V | SKF | |||
| PF1.1/4ARM | SKF | |||
| 35X48X8CRW1V | SKF | |||
| FYT1.3/4TF/VA228 | SKF | |||
| 14824 | SKF | |||
| 60X110X8HMSA10RG | SKF | |||
| 55X78X12HMSA10RG | SKF | |||
| 13419 | SKF | |||
| 60X90X8HMSA10RG | SKF | |||
| 523587 | SKF | |||
| YET207-104 | SKF | |||
| SNL3284L | SKF |






