SKF 25VAR尺寸参数
- 主要尺寸
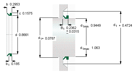
- d1从-到
- 24-27
- mm
- 从
- 22
- mm
- b1
- 4.7
- mm
- b
- 7.5
- mm
- c
- 4
- mm
- 说明
- 设计
- VR1/VA
- -
- 密封唇材料
- R
- -
- 型号
- 全球有效
- 25 VA R
- -
- 说明
- 北美市场
- 400250
- -
- **请核查供货情况
- -
SKF 25VAR相关型号
| SKF型号 | 品牌 | 内径(mm) | 外径(mm) | 厚度(mm) |
| 100X140X12HMS5V | SKF | |||
| 99463 | SKF | |||
| PFD1.7/16FM | SKF | |||
| 30x44x7HMSA10V | SKF | |||
| 13698 | SKF | |||
| 38X50X7CRW1V | SKF | |||
| FYRP1.7/16-3 | SKF | |||
| FYT7/8RM | SKF | |||
| 10x20x7HMS5V | SKF | |||
| 45X68X8CRWA1R | SKF | |||
| 26x38x7HMS5V | SKF | |||
| 20144 | SKF | |||
| PF1.1/4WF | SKF | |||
| FY1.1/2TF/VA228 | SKF | |||
| 100X120X12CRW1V | SKF | |||
| 99498 | SKF | |||
| 525708 | SKF | |||
| FYTB45TR | SKF | |||
| SNL3064 | SKF | |||
| OKBS80 | SKF |






