SKF轴承 > 球面滚子轴承,圆柱和圆锥孔 > 24122CC/W33
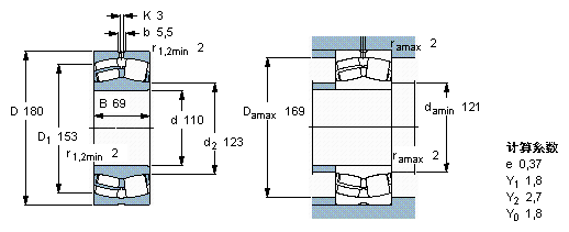
SKF 24122CC/W33尺寸参数
- 主要尺寸
- d
- 110
- mm
- D
- 180
- mm
- B
- 69
- mm
- 基本额定载荷
- C
- 520000
- N
- 动载荷
- C0
- 750000
- N
- 静载荷
- 疲劳载荷极限
- Pu
- 78000
- N
- 额定转速
- 参考转速
- 2000
- r/min
- 极限转速
- 3000
- r/min
- 重量
- 重量
- 7100
- g
- 型号
- * SKF 探索者轴承
- 24122 CC/W33 *
- -
SKF 24122CC/W33相关型号
| SKF型号 | 品牌 | 内径(mm) | 外径(mm) | 厚度(mm) |
| NNU4122K30M/W33 | SKF | 110 | 180 | 69 |
| 24122CC/W33 | SKF | 110 | 180 | 69 |
| C4122-2CS5V | SKF | 110 | 180 | 69 |
| 24122-2CS5/VT143 | SKF | 110 | 180 | 69 |
| NNU4122M/W33 | SKF | 110 | 180 | 69 |
| 24122CCK30/W33 | SKF | 110 | 180 | 69 |
| C4122K30V | SKF | 110 | 180 | 69 |
| C4122V | SKF | 110 | 180 | 69 |






