SKF轴承 > 球面滚子轴承,圆柱和圆锥孔 > 239/670CA/W33
SKF 239/670CA/W33尺寸参数
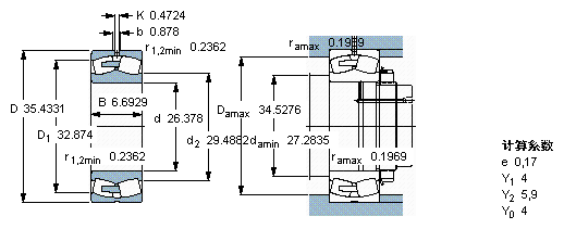
- 主要尺寸
- d
- 670
- mm
- D
- 900
- mm
- B
- 170
- mm
- 基本额定载荷
- C
- 5000000
- N
- 动载荷
- C0
- 10800000
- N
- 静载荷
- 疲劳载荷极限
- Pu
- 695000
- N
- 额定转速
- 参考转速
- 360
- r/min
- 极限转速
- 670
- r/min
- 重量
- 重量
- 315000
- g
- 型号
- * SKF 探索者轴承
- 239/670 CA/W33 *
- -
SKF 239/670CA/W33相关型号
| SKF型号 | 品牌 | 内径(mm) | 外径(mm) | 厚度(mm) |
| C39/670KMB | SKF | 670 | 900 | 170 |
| C39/670MB | SKF | 670 | 900 | 170 |
| 239/670CA/W33 | SKF | 670 | 900 | 170 |
| 239/670CAK/W33 | SKF | 670 | 900 | 170 |






