SKF 2217K尺寸参数
- 主要尺寸
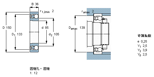
- 2217 K
- 85
- mm
- D
- 150
- mm
- B
- 36
- mm
- 基本额定载荷
- C
- 58500
- N
- 动载荷
- C0
- 23600
- N
- 静载荷
- 疲劳载荷极限
- Pu
- 1120
- N
- 额定转速
- 参考转速
- 8000
- r/min
- 极限转速
- 5600
- r/min
- 重量
- 重量
- 2400
- g
- 型号
- 型号
- 2217 K
- -
SKF 2217K相关型号
| SKF型号 | 品牌 | 内径(mm) | 外径(mm) | 厚度(mm) |
| 22217E/W64 | SKF | 85 | 150 | 36 |
| 4217ATN9 | SKF | 85 | 150 | 36 |
| NU2217ECM | SKF | 85 | 150 | 36 |
| 2217 | SKF | 85 | 150 | 36 |
| C2217 | SKF | 85 | 150 | 36 |
| NJ2217ECM | SKF | 85 | 150 | 36 |
| 22217E | SKF | 85 | 150 | 36 |
| C2217KV | SKF | 85 | 150 | 36 |
| NJ2217ECJ | SKF | 85 | 150 | 36 |
| NU2217ECP | SKF | 85 | 150 | 36 |
| NUP2217ECML | SKF | 85 | 150 | 36 |
| 2217K | SKF | 85 | 150 | 36 |
| NUB217ECJ | SKF | 85 | 150 | 36 |
| 22217EK | SKF | 85 | 150 | 36 |
| 22217E/W64 | SKF | 85 | 150 | 36 |
| C2217V | SKF | 85 | 150 | 36 |
| NJ2217ECML | SKF | 85 | 150 | 36 |
| NU2217ECML | SKF | 85 | 150 | 36 |
| NJ2217ECP | SKF | 85 | 150 | 36 |
| NU2217ECJ | SKF | 85 | 150 | 36 |






