SKF 220VLR尺寸参数
- 主要尺寸
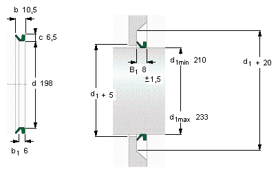
- d1从-到
- 210-233
- mm
- 从
- 198
- mm
- b1
- 6
- mm
- b
- 10.5
- mm
- c
- 6.5
- mm
- 说明
- 设计
- VR3/VL
- -
- 密封唇材料
- R
- -
- 型号
- 全球有效
- 220 VL R
- -
- 说明
- 北美市场
- 402202
- -
- **请核查供货情况
- -
SKF 220VLR相关型号
| SKF型号 | 品牌 | 内径(mm) | 外径(mm) | 厚度(mm) |
| FYJ100TF | SKF | |||
| 85654 | SKF | |||
| 60X85X10HMSA10V | SKF | |||
| 18x47x6HMS5V | SKF | |||
| SONL224-524 | SKF | |||
| VJ-PDNB212 | SKF | |||
| KD2-053 | SKF | |||
| 38X56X8CRW1V | SKF | |||
| FSNL317TURU | SKF | |||
| PFT3/4TF | SKF | |||
| 99176 | SKF | |||
| 55X72X10HMSA10V | SKF | |||
| 17671 | SKF | |||
| 270X335X18HDS1R | SKF | |||
| FYM2.3/16TF | SKF | |||
| 75VAR | SKF | |||
| SYR4.H-18 | SKF | |||
| 49928 | SKF | |||
| 35x80x12HMSA10RG | SKF | |||
| FYRP3.7/16H-18 | SKF |






