SKF 209尺寸参数
- 主要尺寸
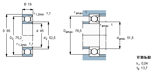
- 209
- 45
- mm
- D
- 85
- mm
- B
- 19
- mm
- 基本额定载荷
- C
- 39600
- N
- 动载荷
- C0
- 32500
- N
- 静载荷
- 疲劳载荷极限
- Pu
- 1370
- N
- 额定转速
- 参考转速
- 14000
- r/min
- 极限转速
- 9000
- r/min
- 重量
- 重量
- 440
- g
- 型号
- 型号
- 209
- -
SKF 209相关型号
| SKF型号 | 品牌 | 内径(mm) | 外径(mm) | 厚度(mm) |
| S7209ACD/P4A | SKF | 45 | 85 | 19 |
| NU209ECML | SKF | 45 | 85 | 19 |
| NU209ECKP | SKF | 45 | 85 | 19 |
| 6209-2Z/VA201 | SKF | 45 | 85 | 19 |
| NJ209ECJ | SKF | 45 | 85 | 19 |
| W6209-2RS1 | SKF | 45 | 85 | 19 |
| NUP209ECM | SKF | 45 | 85 | 19 |
| NUPJ209ECP | SKF | 45 | 85 | 19 |
| E2.6209-2Z/C3 | SKF | 45 | 85 | 19 |
| NU209ECJ | SKF | 45 | 85 | 19 |
| NJ209ECML | SKF | 45 | 85 | 19 |
| 209NR | SKF | 45 | 85 | 19 |
| 7209CD/P4A | SKF | 45 | 85 | 19 |
| 7209CD/HCP4A | SKF | 45 | 85 | 19 |
| S7209ACD/HCP4A | SKF | 45 | 85 | 19 |
| 6209-2Z | SKF | 45 | 85 | 19 |
| 1726209-2RS1 | SKF | 45 | 85 | 19 |
| 6209/W64 | SKF | 45 | 85 | 19 |
| 209-2Z | SKF | 45 | 85 | 19 |
| W6209-2Z | SKF | 45 | 85 | 19 |






