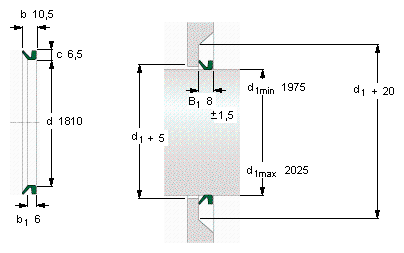
SKF 2000VLR尺寸参数
- 主要尺寸
- d1从-到
- 1975-2025
- mm
- 从
- 1810
- mm
- b1
- 6
- mm
- b
- 10.5
- mm
- c
- 6.5
- mm
- 说明
- 设计
- VR3/VL
- -
- 密封唇材料
- R
- -
- 型号
- 全球有效
- 2000 VL R
- -
- 说明
- 北美市场
- 420002
- -
- **请核查供货情况
- -
SKF 2000VLR相关型号
| SKF型号 | 品牌 | 内径(mm) | 外径(mm) | 厚度(mm) |
| 24x40x7HMSA10RG | SKF | |||
| OKBS118 | SKF | |||
| SNL520TURU | SKF | |||
| 6769 | SKF | |||
| FY30TF/VA228 | SKF | |||
| 38x58x8HMS5RG | SKF | |||
| SYR1.15/16N | SKF | |||
| 14994 | SKF | |||
| FSYE3.H-3 | SKF | |||
| 23028CCK/W33 | SKF | |||
| MVR1-30 | SKF | |||
| 14x24x7HMSA10RG | SKF | |||
| 12x22x7HMS5RG | SKF | |||
| 93751 | SKF | |||
| 32441 | SKF | |||
| FSYE3.11/16N | SKF | |||
| SNL205 | SKF | |||
| SYKC20NTH | SKF | |||
| 17675 | SKF | |||
| 16x32x7HMSA10V | SKF |






