SKF 2000VER尺寸参数
- 主要尺寸
- d1从-到
- 1955-2010
- mm
- 从
- 1844
- mm
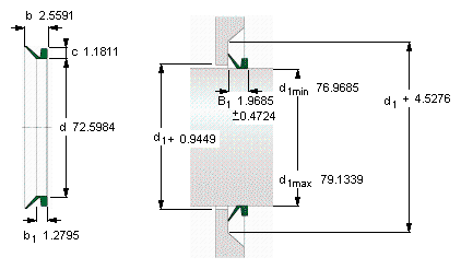
- b1
- 32.5
- mm
- b
- 65
- mm
- c
- 30
- mm
- 说明
- 设计
- VR4/VE
- -
- 密封唇材料
- R
- -
- 型号
- 全球有效
- 2000 VE R
- -
- 说明
- 北美市场
- 420003
- -
- **请核查供货情况
- -
SKF 2000VER相关型号
| SKF型号 | 品牌 | 内径(mm) | 外径(mm) | 厚度(mm) |
| 23152CCK/W33 | SKF | |||
| 42X65X10HMSA10V | SKF | |||
| 90156 | SKF | |||
| 18x47x6HMSA10V | SKF | |||
| 15x35x7HMS5V | SKF | |||
| 130X160X12HMSA10RG | SKF | |||
| 17038 | SKF | |||
| 230X285X23HDS1R | SKF | |||
| SNL3244 | SKF | |||
| 13538 | SKF | |||
| 20x47x10HMSA10RG | SKF | |||
| VJ-PDNB215 | SKF | |||
| 32x47x8HMS5V | SKF | |||
| 55X100X12HMSA10V | SKF | |||
| 85X120X12CRW1R | SKF | |||
| 20x36x7HMSA10V | SKF | |||
| SYH1.15/16TF/AH | SKF | |||
| OKCS310 | SKF | |||
| PFT25WF | SKF | |||
| 11161 | SKF |






