SKF 199VSV尺寸参数
- 主要尺寸
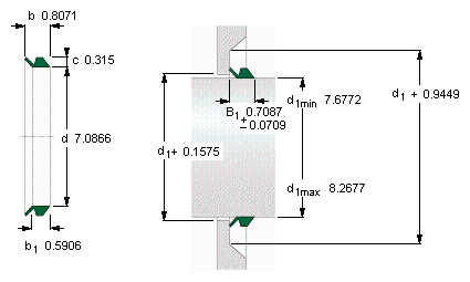
- d1从-到
- 195-210
- mm
- 从
- 180
- mm
- b1
- 15
- mm
- b
- 20.5
- mm
- c
- 8
- mm
- 说明
- 设计
- VR2/VS
- -
- 密封唇材料
- V
- -
- 型号
- 全球有效
- 199 VS V
- -
- 说明
- 北美市场
- 401995
- -
- **请核查供货情况
- -
SKF 199VSV相关型号
| SKF型号 | 品牌 | 内径(mm) | 外径(mm) | 厚度(mm) |
| 86240 | SKF | |||
| 99560 | SKF | |||
| 33711 | SKF | |||
| 35x55x10HMS5RG | SKF | |||
| 29112 | SKF | |||
| 85800 | SKF | |||
| 1250VLR | SKF | |||
| FYK25TR | SKF | |||
| YAR206-101-2F | SKF | |||
| 38x62x7HMS5V | SKF | |||
| 75X120X12HMSA10RG | SKF | |||
| 12508 | SKF | |||
| 84590 | SKF | |||
| 63X90X10HMSA10RG | SKF | |||
| 120X140X12CRWA1R | SKF | |||
| 525034 | SKF | |||
| 22330CC/W33 | SKF | |||
| 2050212 | SKF | |||
| SNL615TURU | SKF | |||
| FYRP1.3/4H-18 | SKF |






