SKF 199VAR尺寸参数
- 主要尺寸
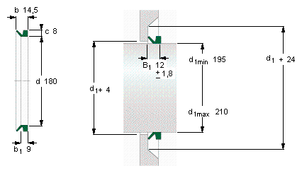
- d1从-到
- 195-210
- mm
- 从
- 180
- mm
- b1
- 9
- mm
- b
- 14.5
- mm
- c
- 8
- mm
- 说明
- 设计
- VR1/VA
- -
- 密封唇材料
- R
- -
- 型号
- 全球有效
- 199 VA R
- -
- 说明
- 北美市场
- 401990
- -
- **请核查供货情况
- -
SKF 199VAR相关型号
| SKF型号 | 品牌 | 内径(mm) | 外径(mm) | 厚度(mm) |
| 99775 | SKF | |||
| 50195 | SKF | |||
| FYT1.5/8TF/AH | SKF | |||
| SYR3.15/16H-3 | SKF | |||
| 7415 | SKF | |||
| 13738 | SKF | |||
| 130X160X15HMSA10RG | SKF | |||
| FYTB15TF | SKF | |||
| 16046 | SKF | |||
| 20x35x7HMS5RG | SKF | |||
| 18VSR | SKF | |||
| MVR1-105 | SKF | |||
| SYNT45FW | SKF | |||
| SYH1.7/16WF | SKF | |||
| 130x190x12HMSA10V | SKF | |||
| 1316 | SKF | |||
| F13/16FM | SKF | |||
| 12x24x7HMS5V | SKF | |||
| 8019 | SKF | |||
| FYTB40WF | SKF |






