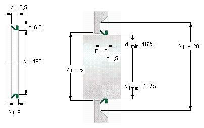
SKF 1650VLR尺寸参数
- 主要尺寸
- d1从-到
- 1625-1675
- mm
- 从
- 1495
- mm
- b1
- 6
- mm
- b
- 10.5
- mm
- c
- 6.5
- mm
- 说明
- 设计
- VR3/VL
- -
- 密封唇材料
- R
- -
- 型号
- 全球有效
- 1650 VL R
- -
- 说明
- 北美市场
- 416502
- -
- **请核查供货情况
- -
SKF 1650VLR相关型号
| SKF型号 | 品牌 | 内径(mm) | 外径(mm) | 厚度(mm) |
| 107551 | SKF | |||
| SYR4.H-18 | SKF | |||
| SNL3180F | SKF | |||
| 9997 | SKF | |||
| 850VLV | SKF | |||
| 6x16x7HMS5RG | SKF | |||
| 45X72X10HMSA10RG | SKF | |||
| 1000VER | SKF | |||
| 28x47x10HMSA10V | SKF | |||
| 20x47x10HMS5RG | SKF | |||
| 180VAV | SKF | |||
| 15298 | SKF | |||
| 190x220x12HMSA10RG1 | SKF | |||
| 40X52X8HMS5V | SKF | |||
| BS2-2216-2CSK/VT143 | SKF | |||
| FSNL530TURU | SKF | |||
| FYR3.11/16-3 | SKF | |||
| 99138 | SKF | |||
| 36X62X10CRSH11R | SKF | |||
| SNL3060G | SKF |






