SKF 1450VLR尺寸参数
- 主要尺寸
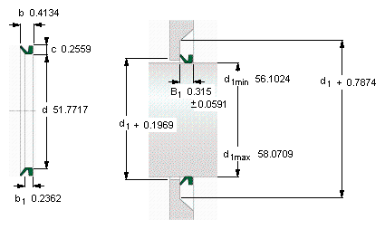
- d1从-到
- 1425-1475
- mm
- 从
- 1315
- mm
- b1
- 6
- mm
- b
- 10.5
- mm
- c
- 6.5
- mm
- 说明
- 设计
- VR3/VL
- -
- 密封唇材料
- R
- -
- 型号
- 全球有效
- 1450 VL R
- -
- 说明
- 北美市场
- 414502
- -
- **请核查供货情况
- -
SKF 1450VLR相关型号
| SKF型号 | 品牌 | 内径(mm) | 外径(mm) | 厚度(mm) |
| 13421 | SKF | |||
| 526808 | SKF | |||
| 84962 | SKF | |||
| 20538 | SKF | |||
| 12678 | SKF | |||
| 47475 | SKF | |||
| 22220EK | SKF | |||
| 72X95X10HMSA10RG | SKF | |||
| SNL3138 | SKF | |||
| 22216EK | SKF | |||
| 22037 | SKF | |||
| PFD1.3/16TF | SKF | |||
| 45X75X8HMS5V | SKF | |||
| 11124 | SKF | |||
| FY1.5/8TF | SKF | |||
| PFT20RM | SKF | |||
| 2700564 | SKF | |||
| 99262 | SKF | |||
| 22330CCK/W33 | SKF | |||
| 49984 | SKF |






