SKF 130VLV尺寸参数
- 主要尺寸
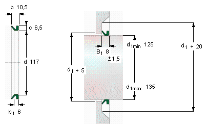
- d1从-到
- 125-135
- mm
- 从
- 117
- mm
- b1
- 6
- mm
- b
- 10.5
- mm
- c
- 6.5
- mm
- 说明
- 设计
- VR3/VL
- -
- 密封唇材料
- V
- -
- 型号
- 全球有效
- 130 VL V
- -
- 说明
- 北美市场
- 401306
- -
- **请核查供货情况
- -
SKF 130VLV相关型号
| SKF型号 | 品牌 | 内径(mm) | 外径(mm) | 厚度(mm) |
| 25X36X7CRW1R | SKF | |||
| FYT1/2FM | SKF | |||
| 110051 | SKF | |||
| 520X580X25HDS2R | SKF | |||
| 42X55X8HMS5V | SKF | |||
| C2238K | SKF | |||
| 20x40x10HMS5V | SKF | |||
| FYRP2.7/16 | SKF | |||
| 145X175X15HMSA10V | SKF | |||
| FSYE3.7/16-3 | SKF | |||
| SNL505 | SKF | |||
| 44913 | SKF | |||
| 16121 | SKF | |||
| 18979 | SKF | |||
| 1000X1050X20HDS1R | SKF | |||
| 85x100x9HMSA10V | SKF | |||
| PCMS2005002.0M | SKF | |||
| SNL3148 | SKF | |||
| 360X400X25HDS2R | SKF | |||
| 28x42x8HMSA10V | SKF |






