SKF 1300VLV尺寸参数
- 主要尺寸
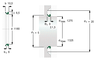
- d1从-到
- 1275-1325
- mm
- 从
- 1180
- mm
- b1
- 6
- mm
- b
- 10.5
- mm
- c
- 6.5
- mm
- 说明
- 设计
- VR3/VL
- -
- 密封唇材料
- V
- -
- 型号
- 全球有效
- 1300 VL V
- -
- 说明
- 北美市场
- 413006
- -
- **请核查供货情况
- -
SKF 1300VLV相关型号
| SKF型号 | 品牌 | 内径(mm) | 外径(mm) | 厚度(mm) |
| 52447 | SKF | |||
| SNL3056 | SKF | |||
| FYM2.1/2TF | SKF | |||
| 38x50x7HMS5V | SKF | |||
| 1500553 | SKF | |||
| SY1.11/16TF | SKF | |||
| 9838 | SKF | |||
| 11130 | SKF | |||
| 36158 | SKF | |||
| 23220CC/W33 | SKF | |||
| 99311 | SKF | |||
| PF1.1/16TF | SKF | |||
| 63X78X8CRW1R | SKF | |||
| 99174 | SKF | |||
| 1350520 | SKF | |||
| 31139 | SKF | |||
| 40X52X7CRW1V | SKF | |||
| 23742 | SKF | |||
| XHCE060/OK170 | SKF | |||
| 1050211 | SKF |






