SKF 120VSR尺寸参数
- 主要尺寸
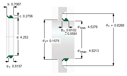
- d1从-到
- 115-125
- mm
- 从
- 108
- mm
- b1
- 13.1
- mm
- b
- 18
- mm
- c
- 7
- mm
- 说明
- 设计
- VR2/VS
- -
- 密封唇材料
- R
- -
- 型号
- 全球有效
- 120 VS R
- -
- 说明
- 北美市场
- 401201
- -
- **请核查供货情况
- -
SKF 120VSR相关型号
| SKF型号 | 品牌 | 内径(mm) | 外径(mm) | 厚度(mm) |
| SNL3088FTURT | SKF | |||
| PF1.1/4ATF | SKF | |||
| 850VLR | SKF | |||
| FY20WF | SKF | |||
| OKBS45 | SKF | |||
| 82526 | SKF | |||
| 40X55X8CRW1V | SKF | |||
| 25x38x7HMS5RG | SKF | |||
| 55X75X10HMSA10RG | SKF | |||
| 87783 | SKF | |||
| 1875553 | SKF | |||
| SYFL1.TH | SKF | |||
| 16201 | SKF | |||
| 33x50x6HMSA10RG | SKF | |||
| SYFL40TR/VE495 | SKF | |||
| 16364 | SKF | |||
| 62X90X8CRW1R | SKF | |||
| SY45FM | SKF | |||
| 86562 | SKF | |||
| FNL522B | SKF |






