SKF 1180VER尺寸参数
- 主要尺寸
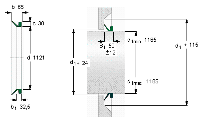
- d1从-到
- 1165-1185
- mm
- 从
- 1121
- mm
- b1
- 32.5
- mm
- b
- 65
- mm
- c
- 30
- mm
- 说明
- 设计
- VR4/VE
- -
- 密封唇材料
- R
- -
- 型号
- 全球有效
- 1180 VE R
- -
- 说明
- 北美市场
- 411803
- -
- **请核查供货情况
- **
SKF 1180VER相关型号
| SKF型号 | 品牌 | 内径(mm) | 外径(mm) | 厚度(mm) |
| SNL520-617 | SKF | |||
| SY7/8TF/AH | SKF | |||
| SY1.11/16TF | SKF | |||
| 524221 | SKF | |||
| OKF660 | SKF | |||
| 35422 | SKF | |||
| 55X70X8HMS5V | SKF | |||
| 13937 | SKF | |||
| 55157 | SKF | |||
| 31148 | SKF | |||
| 65x140x12HMS5RG | SKF | |||
| 86544 | SKF | |||
| 99473 | SKF | |||
| 80X100X13CRSA1R | SKF | |||
| 8763 | SKF | |||
| FYT1.1/16TF | SKF | |||
| 10x20x7HMS5V | SKF | |||
| SNL3196GL | SKF | |||
| 16x35x7HMSA10V | SKF | |||
| VJ-PDNB311 | SKF |






